- 商品描述
- 商品询价热度
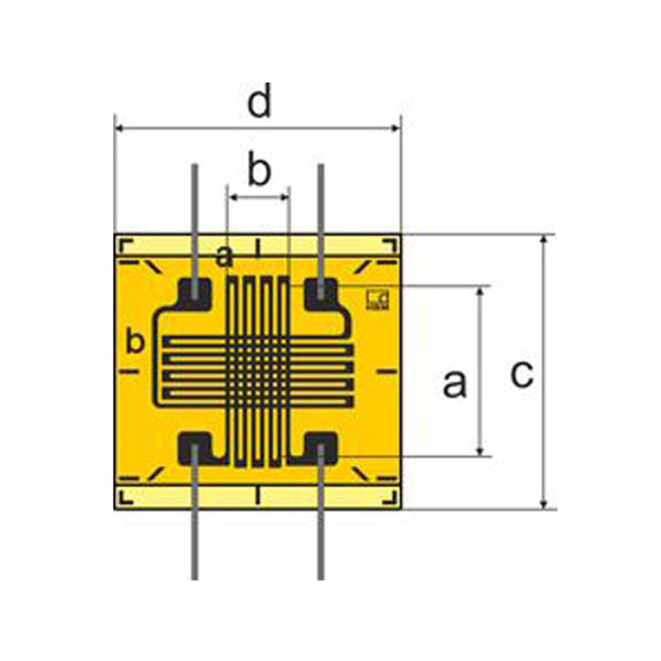
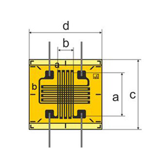
HBM XY9 带引线的 T 型应变片

HBM XY9 应变片各型号参数
型号 | 额定电阻 | 尺寸 [mm/inch] | 焊接端子 | 型号 | ||||
测量栅丝 | 基底 | |||||||
[Ω] | a | b1 | b2 | c | d | |||
1-XY9x-1.5/120 | 120 | 1.5 | 1.2 0.047 | 1.2 0.047 | 4.7 0.185 | 6.7 0.264 | LS5 | 1,3 |
| 钢 (1) | 铝 (3) | 奥氏体钢 (5) | 石英玻璃 / 复合材料 (6) | 钛 (7) | 塑料 (8) | 钼 (9) | ||||||||
1-XY9x-3/120 | 120 | 3 | 1.4 0.055 | 1.4 0.055 | 6.2 0.244 | 7.9 0.311 | LS5 | 1,3 |
| 钢 (1) | 铝 (3) | 奥氏体钢 (5) | 石英玻璃 / 复合材料 (6) | 钛 (7) | 塑料 (8) | 钼 (9) | ||||||||
1-XY9x-6/120 | 120 | 6 | 1.9 | 2.2 0.087 | 10 | 9.6 | LS4 | 1,3 |
| 钢 (1) | 铝 (3) | 奥氏体钢 (5) | 石英玻璃 / 复合材料 (6) | 钛 (7) | 塑料 (8) | 钼 (9) | ||||||||
1-XY9x-10/120 | 120 | 10 | 3.2 | 3.8 0.15 | 15.2 | 14 | LS212 | 1 |
| 钢 (1) | 铝 (3) | 奥氏体钢 (5) | 石英玻璃 / 复合材料 (6) | 钛 (7) | 塑料 (8) | 钼 (9) | ||||||||
1-XY9x-1.5/350# | 350 | 1.5 | 1.5 | 1.5 0.059 | 4.7 | 6.7 | LS5 | 1 |
| 钢 (1) | 铝 (3) | 奥氏体钢 (5) | 石英玻璃 / 复合材料 (6) | 钛 (7) | 塑料 (8) | 钼 (9) | ||||||||
1-XY9x-3/350 | 350 | 3 | 1.5 | 1.5 0.059 | 6.2 | 7.9 | LS5 | 1,3 |
| 钢 (1) | 铝 (3) | 奥氏体钢 (5) | 石英玻璃 / 复合材料 (6) | 钛 (7) | 塑料 (8) | 钼 (9) | ||||||||
1-XY9x-6/350 | 350 | 6 | 2 | 2.2 0.087 | 10 | 9.6 | LS4 | 1,3 |
| 钢 (1) | 铝 (3) | 奥氏体钢 (5) | 石英玻璃 / 复合材料 (6) | 钛 (7) | 塑料 (8) | 钼 (9) | ||||||||
1-XY9x-10/350 | 350 | 10 | 3.3 | 3.7 0.146 | 15.2 | 14 | LS212 | - |
| 钢 (1) | 铝 (3) | 奥氏体钢 (5) | 石英玻璃 / 复合材料 (6) | 钛 (7) | 塑料 (8) | 钼 (9) | ||||||||


线上咨询




